

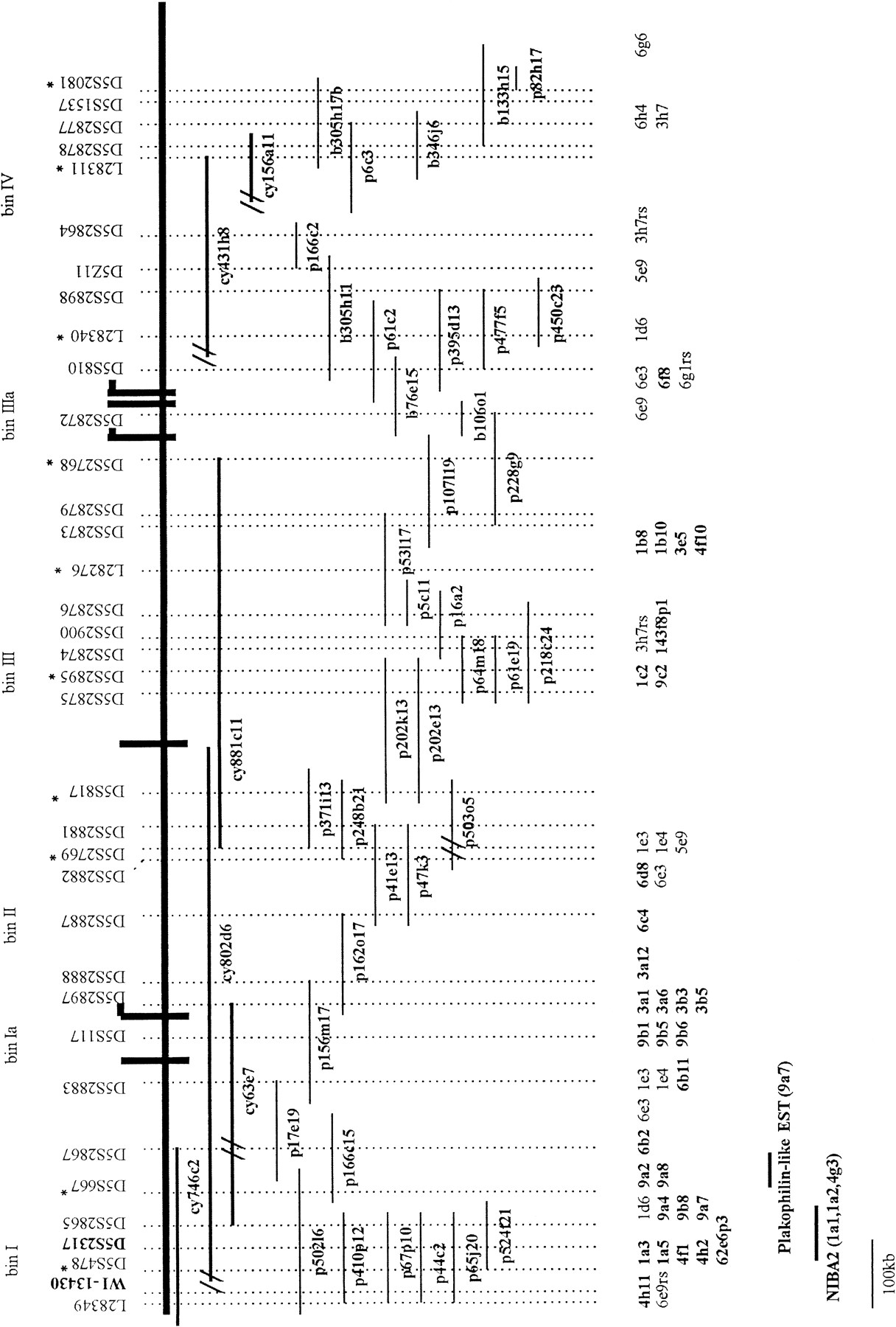
Physical map for the CDCMR region. The thick horizontal line at the top of the page represents the chromosome; thick black lines intersecting this one correspond to the natural deletions shown in Fig. 1. Bin designations are noted above the chromosome. Markers are shown above this line and are arranged in the order derived from STS content mapping. Markers with asterisks indicate that they were also placed on the RH map; names in boldface type indicate that the STSs were derived from an EST. The brackets above the markers indicate unknown marker order. The horizontal lines just below the chromosome represent YAC clones; the horizontal thin lines below that represent bacterial-based clones. Designation of clone names: (cy) CEPH YAC; (FS5Y) flow-sorted chromosome 5-specific YAC library; (p) PAC clone; (b) BAC clone. Slanted lines at the ends of genomic clones indicate that they are chimeric; slanted lines within a clone indicate an internal deletion. Coordinates given below the genomic clones represent exon-trapped products derived from the CDCMR region. Exon clones in bold are present only once within the contig. Exon-trapped products that identify nonoverlapping clones are not in bold. If the sequence is predicted to be an almost exact copy, the same clone name has been used; if the sequence is predicted to be a related sequence, the designation rs has been added. The relative positions of cDNAs identified by exon amplification are indicated by horizontal lines below the exon clones. The exons used to detect the transcript are noted in parenthesis.











